Technologie a technické zázemí

Řídicí systémy, SCADA/HMI a technická podpora pro průmysl, energetiku a výzkum

Připravuji technické koncepce, schémata a podklady pro rozhodování, kontroluji hotová díla i stávající technologie a z provozních dat navrhuji efektivnější a ekonomičtější způsob provozu.

  • 30+ let praxe
  • Koncepce řešení
  • Kontrola díla
  • Provozní analýzy

Technická podpora od koncepce po kontrolu provozu

Poskytuji odbornou podporu pro investory, správce i provozovatele technologií v oblasti měření a regulace, řízení kvality prostředí, teplárenství, vytápění a otopných soustav. Pomáhám připravit správné zadání, posoudit hotové řešení a najít úspornější způsob provozu.

MaR Technická podpora koncepce, kontrola, analýzy
Technická podpora měření a regulace

Technická podpora dává projektu a provozu jasný směr ještě před tím, než vzniknou zbytečné náklady. Připravuji koncepce řešení, technické podklady pro zadání, potrubní schémata, schémata rozvaděčů MaR i koncepční schémata řídicích systémů.

Stejnou pozornost věnuji i hotovým dílům a provozovaným technologiím. Kontroluji, zda řešení odpovídá skutečným potřebám provozu, vyhodnocuji data, hledám slabá místa a navrhuji úpravy, které mají technický i ekonomický smysl.

  • nezávislý technický pohled na koncepci, zadání i hotové dílo
  • podklady pro rozhodnutí investora, správce nebo provozovatele technologie
  • návaznost měření a regulace na potrubní systém, rozvaděč, řízení a obsluhu
  • vyhodnocení provozu podle skutečných dat a návrh ekonomicky smysluplných úprav

Výstupy technické podpory

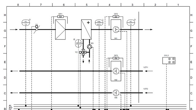
Piping and Instrumentation Diagram - Lysolaje

Piping and Instrumentation Diagram

Lysolaje

Autorský dozor stavby - SNEO

Autorský dozor stavby

SNEO

Statistická analýza provozu VZT a množství prachových částic - Valeo

Statistická analýza provozu VZT a množství prachových částic

Valeo

Piping and Instrumentation Diagram - KD Štětí

Piping and Instrumentation Diagram

KD Štětí

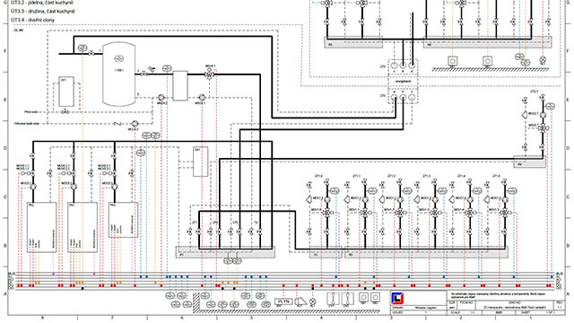
Projekt rekonstrukce MaR - SNEO

Projekt rekonstrukce MaR

SNEO

Statistická analýza ztrát - RATE Štětí

Statistická analýza ztrát

RATE Štětí

Statistická analýza vstupních klapek VZT a množství prachových částic - Valeo

Statistická analýza vstupních klapek VZT a množství prachových částic

Valeo

Projekt rekonstrukce MaR - SNEO

Projekt rekonstrukce MaR

SNEO

Roční kontrola stanice - RATE Štětí

Roční kontrola stanice

RATE Štětí

Projekt rekonstrukce MaR - SNEO

Projekt rekonstrukce MaR

SNEO

Statistická analýza k určení optimální žádané teploty z kotlů k maximalizaci kondenzace - RATE

Statistická analýza k určení optimální žádané teploty z kotlů k maximalizaci kondenzace

RATE

Projekt rekonstrukce MaR - SNEO

Projekt rekonstrukce MaR

SNEO

Autorský dozor stavby - SNEO

Autorský dozor stavby

SNEO

Piping and Instrumentation Diagram - Lysolaje

Piping and Instrumentation Diagram

Lysolaje

Autorský dozor stavby - SNEO

Autorský dozor stavby

SNEO

Statistická analýza provozu VZT a množství prachových částic - Valeo

Statistická analýza provozu VZT a množství prachových částic

Valeo

Piping and Instrumentation Diagram - KD Štětí

Piping and Instrumentation Diagram

KD Štětí

Projekt rekonstrukce MaR - SNEO

Projekt rekonstrukce MaR

SNEO

Statistická analýza ztrát - RATE Štětí

Statistická analýza ztrát

RATE Štětí

Statistická analýza vstupních klapek VZT a množství prachových částic - Valeo

Statistická analýza vstupních klapek VZT a množství prachových částic

Valeo

Projekt rekonstrukce MaR - SNEO

Projekt rekonstrukce MaR

SNEO

Roční kontrola stanice - RATE Štětí

Roční kontrola stanice

RATE Štětí

Projekt rekonstrukce MaR - SNEO

Projekt rekonstrukce MaR

SNEO

Statistická analýza k určení optimální žádané teploty z kotlů k maximalizaci kondenzace - RATE

Statistická analýza k určení optimální žádané teploty z kotlů k maximalizaci kondenzace

RATE

Projekt rekonstrukce MaR - SNEO

Projekt rekonstrukce MaR

SNEO

Autorský dozor stavby - SNEO

Autorský dozor stavby

SNEO

Koncepce a příprava projektu

Pomáhám připravit technickou koncepci MaR a navazujících technologií ještě před zadáním dodávky nebo výběrem realizační firmy.

  • návrh základní koncepce měření, regulace a řízení technologie
  • technické podklady pro zadání a výběr dodavatele
  • posouzení variant řešení z hlediska provozu, servisu a budoucí údržby

Schémata a technické podklady

Zpracuji přehledné podklady, které pomáhají investorovi, správci i dodavateli pochopit vazby technologie, rozvaděče MaR a řídicího systému.

  • potrubní schémata technologických celků
  • schémata zapojení rozvaděče MaR a návazných periferií
  • koncepční schémata řídicích systémů, komunikací a vazeb na technologii

Kontrola, analýzy a optimalizace

Provádím technickou kontrolu hotového díla i stávající technologie a z provozních dat připravuji doporučení pro efektivnější a ekonomičtější provoz.

  • kontrola souladu realizace s požadavky technologie a provozu
  • statistické analýzy provozních hodnot, trendů a odchylek
  • výpočty a návrhy nastavení pro maximálně efektivní a ekonomický provoz

Oblasti podpory

Podporu poskytuji u technologií, kde je potřeba jasná koncepce, dobré zadání, kontrola provozních vazeb nebo vyhodnocení reálného chování systému.

  • měření a regulace MaR
  • řízení kvality vnitřního prostředí
  • teplárenství a předávací stanice tepla
  • vytápění a otopné soustavy
  • vzduchotechnika, chlazení a související technologie
  • energetická optimalizace provozu budov a technologických celků

Srozumitelné výstupy pro rozhodnutí

Výstupy připravuji tak, aby byly použitelné pro technické jednání, výběr dodavatele, kontrolu realizace i další provozní rozhodování.

  • srozumitelná technická zpráva s popisem stavu a doporučeným postupem
  • přehledné schéma, ze kterého jsou jasné provozní vazby a odpovědnosti zařízení
  • seznam rizik, nedostatků a návrhů úprav podle jejich technické důležitosti
  • podklady použitelné pro jednání s dodavatelem, správcem objektu nebo investorem

Máte dotaz nebo potřebujete pomoc?

Neváhejte mě kontaktovat - rád s Vámi proberu Vaše projekty.

Kontaktujte mě

Sídlo

Velkova 268
273 42 Stehelčeves

IČO: 75966671

DIČ: CZ7312183725

DS: pnnrjrk

Bankovní spojení

Komerční banka, a.s., pobočka Kladno

č. 73350175/0100

QR kód

© 2026 Miroslav Legutko. Všechna práva vyhrazena.